China 200G 400G DCI supplier

Interrupteur à fibre optique magnétique M1x16

Le commutateur optique M1x16 se connecte au trajet optique en connectant ou en bloquant le signal optique. Il est non mécanique et activé par un signal de commande électrique. Il intègre également des fonctions de circulateur et d'isolateur. Ces produits sont largement utilisés dans les équipements aérospatiaux et militaires.

  • Détails du produit

Interrupteur à fibre optique magnétique M1x16

Caractéristiques

  • Semi-conducteurs à haute vitesse
  • Haute stabilité, haute fiabilité
  • Sans époxy sur le chemin optique
  • Verrouillage à sécurité intégrée

Applications

  • Équipements aérospatiaux
  • Ajout/Suppression configurable
  • Surveillance du système
  • Système de détection

Spécifications de performance

Paramètres

Unité

Caractéristiques

Gamme de longueurs d'onde

nm

1520 ~ 1580

Longueur d'onde de test

nm 1550

Perte d'insertion 1, 2

dB

≤ 2,0

TDL

dB

≤0,30

PDL

dB

≤0,20

Perte de retour

dB

≥ 50

Diaphonie

dB

Bidirectionnel ≥ 20

Unidirectionnel ≥ 40

Répétabilité

dB

≤±0,01

Heure de commutation

nous

≤100

Durée d'impulsion

nous

≥ 200

Durabilité

Cycles

≥10 milliards

Type de commutateur

N / A

Verrouillage

Courant de fonctionnement

mA

≤ 200

Puissance optique maximale

mW

≤500

Température de fonctionnement

°C

-5 ~ +70

Température de stockage

°C

-40 ~ +85

Dimension

mm

(L)40,0×(l)67×(H)7,5 ±0,2

Remarque : 1. Testez à température ambiante et selon les procédures opérationnelles standard.

2 Hors connecteurs, 0,2 dB pour une paire de connecteurs.

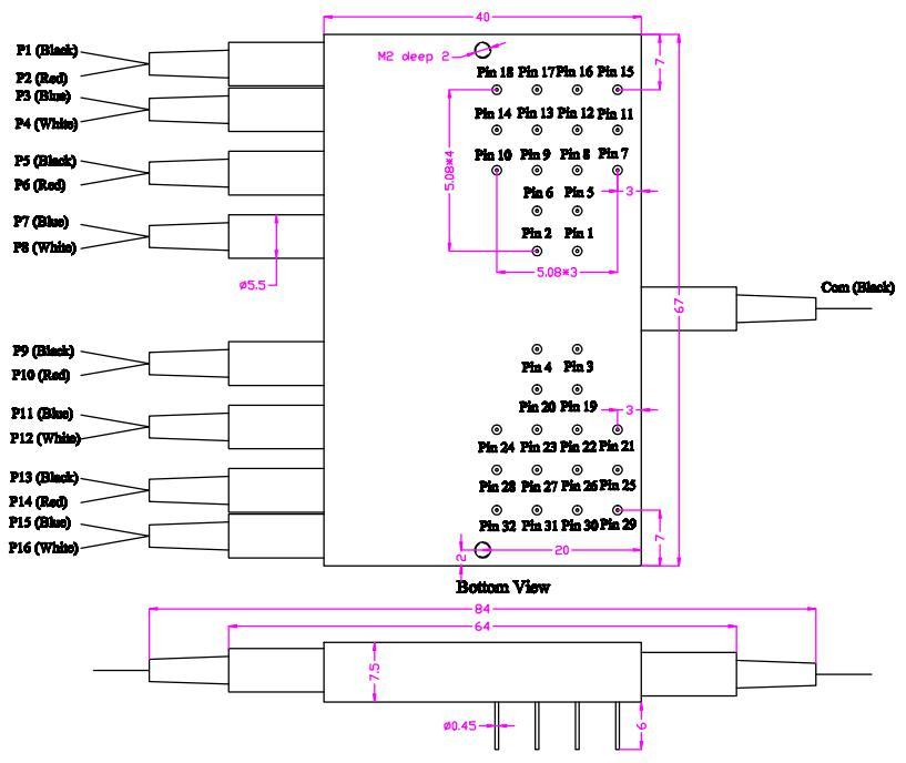
Dimensions mécaniques (unité : mm)

M1x16 Magnet Fiber Optical Switch

Entraînement électrique

M1x16 Magnet Fiber Optical Switch

Diagramme fonctionnel

1x16 Magnet Fiber Optical Switch

1x16 Magnet Fiber Optical Switch

Informations de commande

FSW-M1x16-□-□-□-□-□-□-□

1x16 Fiber Optical Switch

Vous souhaitez en savoir plus sur ce produit ?

ENVOYER UN Message
laisser un message

Si Vous êtes intéressé par nos produits et vous souhaitez connaître plus de détails, s'il vous plaît laissez un message ici, nous vous répondrons dès que nous Can.

Produits connexes
China M1x1 Magnet Fiber Optical Switch Commutateur à fibre optique magnétique M1x1
Caractéristiques Haute vitesse à semi-conducteurs Haute stabilité, haute fiabilité Sans époxy sur le chemin optique Verrouillage à sécurité intégrée Applications Équipement aérospatial Ajout/Déplacement configurable Surveillance du système Système de détection
China M1x2 Magnet Fiber Optical Switch Commutateur à fibre optique magnétique M1x2
Caractéristiques Haute vitesse à semi-conducteurs Haute stabilité, haute fiabilité Sans époxy sur le chemin optique Verrouillage à sécurité intégrée Applications Équipement aérospatial Ajout/Déplacement configurable Surveillance du système Système de détection
China M2x2 Magnet Fiber Optical Switch Commutateur à fibre optique magnétique M2x2
Caractéristiques Haute vitesse à semi-conducteurs Haute stabilité, haute fiabilité Sans époxy sur le chemin optique Verrouillage à sécurité intégrée Applications Équipement aérospatial Ajout/Déplacement configurable Surveillance du système Système de détection
China M2x2B Magnet Fiber Optical Switch Commutateur à fibre optique magnétique M2x2B
Caractéristiques Haute vitesse à semi-conducteurs Haute stabilité, haute fiabilité Sans époxy sur le chemin optique Verrouillage à sécurité intégrée Applications Équipement aérospatial Ajout/Déplacement configurable Surveillance du système Système de détection
China M1x8 Magnet Fiber Optical Switch Commutateur à fibre optique magnétique M1x8
Caractéristiques Haute vitesse à semi-conducteurs Haute stabilité, haute fiabilité Sans époxy sur le chemin optique Verrouillage à sécurité intégrée Applications Équipement aérospatial Ajout/Déplacement configurable Surveillance du système Système de détection
China M1x4 Magnet Fiber Optical Switch Commutateur à fibre optique à aimant M1x4
Caractéristiques Haute vitesse à semi-conducteurs Haute stabilité, haute fiabilité Sans époxy sur le chemin optique Verrouillage à sécurité intégrée Applications Équipement aérospatial Ajout/Déplacement configurable Surveillance du système Système de détection
4*100G to 1*400G TMUX board Carte 4x100G QSFP28 à 1x400G CFP2 DCO TMUX FW841
caractéristiques du produit La carte unique prend en charge la transmission cohérente de 4*100G à 1*400G, ce qui peut réaliser une transmission côté ligne 400G monocanal. La longueur d'onde est réglable, prenant en charge jusqu'à 400G 75GHz * 64 ondes ou 400G * 100Ghz 48 ondes, 200G 50GHz * 96 ondes. Avec technologie de modulation cohérente flexible : DP-16QAM, DP-8QAM, DP-QPSK. Plusieurs technologies de correction d'erreurs FEC : oFEC, CFEC, SCFEC, SDFEC. Prend en charge des fonctions d'accès aux services flexibles : 100GE, 100GE KR4, OTU4 et 100G FlexE. Prend en charge une surveillance parfaite des performances et des fonctions statistiques. Prend en charge les statistiques de performances Ethernet RMON, la surveillance LLDP, la surveillance des diagrammes de constellation, les fonctions de retard DM et de détection PRBS, les statistiques de performances OTN PM et SM et d'autres fonctions. Prend en charge la surveillance en temps réel de la température, de la tension, du courant et de la consommation d'énergie de la carte de haute précision. Le côté client prend en charge plusieurs types d'interface de module : 100GSR4/CWDM4/LR4/PSM4. Prend en charge la plate-forme de gestion de réseau unifiée, les méthodes de gestion de réseau SNMP, CLI, Web, NMS (interface graphique).
MPO Cable MTP / mpo câble de coffre
Haute performance en IL & Rl Disponible en 8,12 et 24 fibres dimension précise 100% en interne testé Longueur de furcation personnalisée pour répondre aux différentes situations d'installation Fibre unique Interface de connecteur disponible en SC & LC sous forme de canal simplex ou duplexSoutenez les applications Ethernet et Fibre Channel de vitesse supérieures (OM3, OM4 et SM Fibres)
laisser un message
laisser un message
Si Vous êtes intéressé par nos produits et vous souhaitez connaître plus de détails, s'il vous plaît laissez un message ici, nous vous répondrons dès que nous Can.

Maison

Produits

à propos

contact