Émetteur-récepteur SFP+ DWDM FC 16 Gbit/s, bande C, EML, portée de 40 km

Émetteur-récepteur SFP+ DWDM FC 16 Gbit/s, bande C, EML, portée de 40 km

Les émetteurs-récepteurs SFP+ sont des modules performants et économiques prenant en charge un débit de données de 16 Gbit/s et une distance de transmission de 40 km avec SMF.

L'émetteur-récepteur se compose de trois sections : un émetteur laser EML refroidi, une photodiode PIN intégrée à un préamplificateur de transimpédance (TIA) et une unité de commande par microcontrôleur. Tous les modules répondent aux exigences de sécurité laser de classe I.

Les émetteurs-récepteurs sont compatibles avec l'accord multi-sources SFP et les fonctions de diagnostic numérique SFF-8472.

  • Détails du produit

Émetteur-récepteur SFP+ DWDM FC 16 Gbit/s, bande C, EML, portée de 40 km RSPD-16GD40-CXX

Caractéristiques du produit

  • Prend en charge des débits binaires jusqu'à 16 Gbit/s
  • Empreinte SFP+ enfichable à chaud
  • Laser EML DWDM et photodiode PIN, transmission SMF jusqu'à 40 km
  • Conforme aux normes SFP+ MSA et SFF-8472 avec connecteur LC duplex
  • Compatible avec la norme RoHS
  • Alimentation unique +3,3 V
  • Surveillance diagnostique numérique en temps réel
  • Température de fonctionnement du boîtier : Standard : 0 à +70 °C

Applications

  • Canal Fibre 4,25/8,5/16G
  • Autres liaisons optiques

SFP+ 16G FC DWDM 40KM

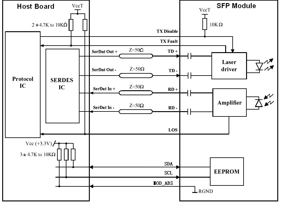
Schéma fonctionnel de l'émetteur-récepteur

Valeurs maximales absolues

Paramètre Symbole Min Max Unité
Tension d'alimentation Vcc -0,5 4.5 V
Température de stockage Ts -40 +85 °C
Humidité de fonctionnement 5 85 %

Conditions de fonctionnement recommandées

Paramètre Symbole Min Typique Max Unité
Température de fonctionnement du boîtier Tc 0 +70 °C
Tension d'alimentation Vcc 3,135 3,30 3,465 V
Courant d'alimentation CCI 550 mA
Débit de données 4,25 16 Gbit/s

Caractéristiques optiques et électriques

SFP+ 16G FC DWDM 40KM

Remarques :

1. La puissance optique est injectée dans la fibre monomode (SMF).

2. Entrée PECL, couplée et terminée en interne en courant alternatif.

3. Mesuré avec un PRBS 2 31 -1 motif de test à 16 000 Mbps, BER ≤ 1 × 10⁻⁵ -12 .

4. Couplage AC interne.

Synchronisation et électricité

SFP+ 16G FC DWDM 40KM

iDagnostics

16G FC DWDM SFP+ Transceiver

Carte mémoire de diagnostic numérique

Les émetteurs-récepteurs fournissent le contenu de la mémoire d'identification série et des informations de diagnostic sur les conditions de fonctionnement actuelles via l'interface série à 2 fils (SCL, SDA).

Toutes les informations de diagnostic avec étalonnage interne ou externe sont mises en œuvre, y compris la surveillance de la puissance reçue, la surveillance de la puissance transmise, la surveillance du courant de polarisation, la surveillance de la tension d'alimentation et la surveillance de la température.

Le champ de données spécifique de la carte mémoire de diagnostic numérique est défini comme suit.

16G FC DWDM SFP+ Transceiver

Descriptions des broches

16G FC DWDM SFP+ Transceiver

SFP+ 40KM DWDM Transceiver

Remarques :

Séquence de branchement : Séquence d'engagement des broches lors du branchement à chaud.

1) Le signal TX Fault est une sortie à collecteur ouvert qui doit être tirée au niveau haut par une résistance de 4,7 kΩ à 10 kΩ sur la carte hôte, pour atteindre une tension comprise entre 2,0 V et Vcc + 0,3 V. Un niveau logique 0 indique un fonctionnement normal ; un niveau logique 1 indique un défaut du laser. À l'état bas, la tension de sortie est inférieure à 0,8 V.

2) Sortie laser désactivée sur TDIS > 2,0 V ou circuit ouvert, activée sur TDIS < 0,8 V.

3) LOS est une sortie à collecteur ouvert. Elle doit être reliée à une résistance de rappel de 4,7 kΩ à 10 kΩ sur la carte hôte pour une tension comprise entre 2,0 V et 3,6 V. Un niveau logique 0 indique un fonctionnement normal ; un niveau logique 1 indique une perte de signal.

4) RD-/+ : Ce sont les sorties différentielles du récepteur. Ce sont des lignes différentielles de 100 Ω couplées en courant alternatif en interne qui doivent être terminées par une résistance de 100 Ω (différentielle) au niveau du SERDES de l'utilisateur.

5) TD-/+ : Ce sont les entrées différentielles de l'émetteur. Ce sont des lignes différentielles couplées en courant alternatif en interne avec une terminaison différentielle de 100 Ω à l'intérieur du module.

Circuit d'interface recommandé

SFP+ 40KM DWDM Transceiver

Dimensions mécaniques

16g DWDM 40km transceiver

Informations de commande

RSPD-16GD40-CXX XX : Longueur d'onde de la grille ITU de 100 GHz

16g DWDM 40km transceiver 16g DWDM 40km transceiver

Vous souhaitez en savoir plus sur ce produit ?

ENVOYER UN Message
laisser un message

Si Vous êtes intéressé par nos produits et vous souhaitez connaître plus de détails, s'il vous plaît laissez un message ici, nous vous répondrons dès que nous Can.

Produits connexes
SFP+ 16G DWDM 20KM Transceiver Émetteur-récepteur optique SFP+ 16G C17-C61 DWDM 20KM DDM
caractéristiques du produit Prend en charge des débits jusqu'à 14,025 Gbps Empreinte SFP+ enfichable à chaud 100 GHz ITU, laser EML refroidi par bande C DWDM et photodiode PIN, jusqu'à 20 km pour la transmission SMF Conforme à SFP+ MSA et SFF-8472 avec prise LC duplex Compatible RoHS Alimentation simple +3.3V Surveillance diagnostique numérique en temps réel Température du boîtier de fonctionnement : Norme : 0 à +70°C Applications Fibre canal 4.25/8.5/14.025G Autres liaisons optiques
OSFP 400G SR4 Émetteur-récepteur optique 400G OSFP SR4 MM MPO12 IB
Caractéristiques Interface optique série OSFP Interface électrique 4x100G PAM4 resynchronisée 400GAUI-4 Câble optique actif Réseaux VCSEL à 4 canaux et réseaux de photodétecteurs PIN à 4 canaux Longueur maximale de liaison de 60 m sur OM3 ou 100 m sur OM4 Conforme OSFP MSA Facteur de forme OSFP enfichable à chaud Conforme à la spécification du module OSFP Rév 5.0 Conforme à CMIS 5.2 Protocole de prise en charge Conforme à la norme IEEE 802.3db Conforme à la norme IEEE 802.3ck Basse consommation énergétique Moins de 8 W dans une plage de température de 0 à 70 ℃ Applications Ethernet 400GBASE-SR4 400G Centre de données
10G SFF Transceiver Émetteur-récepteur 10G DWDM SFF 40 km -40 ℃ à 85 ℃
Fonctionnalités Laser EML 1550nm ou DWDM avec TEC, disponible dans toutes les longueurs d'onde en bande C sur le 50GHz PIN- TIArécepteur Connecteur LC duplex ou fibre pigtail personnalisable Alimentation monocanal + 3,3 V Le mode hors ligne CDR prend en charge le débit binaire 155-9,95 GBIT/s, et le mode CDR prend en charge le débit binaire 9,95-10,3125 GBIT/s CDR de transmission/réception interne -40 ℃ à 85 ℃ Température de travail de l'industrie Convient pour une connexion SMF de 40 km Conforme à SFF-8472 Rev 10.2 Coque métallique entière et excellente performance d'interférence électromagnétique Complètement conforme à la norme RoHS
PLC 2.0MM 1.0M Fiber DIN Mounting Box Boîtier de montage DIN 120 x 110 x 20 mm pour 2 x 16 connecteurs PLC SC/UPC 2,0 mm et 1,0 m de fibre optique.
Les PLC de Fiberwdm sont développés à partir d'un procédé unique de guide d'ondes en verre de silice, avec des fibres optiques alignées avec précision et fiabilité, le tout dans un boîtier miniature. Ils offrent une solution de distribution de lumière économique, compacte et très fiable. Ces dispositifs PLC présentent des performances élevées en termes de faibles pertes d'insertion, de faible PDL, de forte atténuation et d'excellente uniformité sur une large plage de longueurs d'onde (de 1260 nm à 1620 nm) et fonctionnent à des températures allant de -40 °C à +85 °C. Ils sont disponibles en configurations standard 1 × 4, 1 × 8, 1 × 16 et 1 × 32, ainsi qu'en structures personnalisées 2 × 8, 2 × 16, 2 × 32 et 2 × 64.
 Data Center Switch 48x100Ge DSFP ports and 8x400Ge QSFP-DD uplink ports DS610 Commutateur de centre de données 48 ports DSFP 100Ge et 8 ports de liaison montante QSFP-DD 400Ge DS610
caractéristiques du produit 1. Performances  Ports : 48 x10/25GE, 8 x 40/100GE  Transfert de vitesse de fil à 2/3 couches  Port 40G/100G : prend en charge le mode 4x10G/4x25G  2. Conception d'optimisation du centre de données  Chaque port prend en charge une file d'attente de sortie virtuelle  Alimentation remplaçable à chaud avec conception de redondance 1+1  4+1 modules de ventilation remplaçables à chaud conçus de manière redondante  Facile à installer  3. Contrôleur haute performance  Modules COM-e d'architecture x86  Prend en charge la mémoire DDR4 de 16 Go avec ECC  Prend en charge les disques SSD SSD de 256 Go, interface M.2 (bus SATA)  Prise en charge de BMC, grâce auquel les périphériques peuvent être surveillés et gérés  4. Le système prend en charge les fonctions de surveillance et d'enregistrement de divers événements  Surveillance de la tension, surveillance de la tension au niveau de la carte de support  Surveillance de la température  Journal des motifs de redémarrage
8 Channels O-BAND DWDM MUX DEMUX 1U Rack Multiplexeur/démultiplexeur DWDM bande O 8 canaux (16 ondes) à fibre unique, boîtier LC/UPC et LGX, rack 1U à 2 emplacements
Le multiplexeur/démultiplexeur DWDM en bande O à 8 canaux (16 longueurs d'onde) sur fibre unique, conçu par FIBERWDM, est un dispositif DWDM entièrement passif. Il supporte de faibles pertes d'insertion (ports de longueur d'onde < 4,8 dB). Les longueurs d'onde utilisées sont 1295,56/1296,68/1297,80/1298,93/1300,05/1301,18/1302,31/1303,45/1304,58/1305,72/1306,85/1308,00/1309,14/1310,28/1311,43/1312,58 nm, permettant la transmission de 8 canaux sur une seule fibre.
32CH DWDM MUX DEMUX Multiplexeur/démultiplexeur DWDM 32 canaux 150 GHz, 1529,553 nm - 1566,723 nm, avec port moniteur, format rack 1U LC/UPC
IL < 6,0 dB, technologie AAWG DWDM 100 GHz Entièrement compatible avec tous les systèmes informatiques Optiques UT 1G/10G/25G/40G/100G DWDM Dispositifs passifs, sans Po Aucun refroidissement requis Soutien au métro et à la région Réseaux DWDM longue distance et réseaux DWDM longue portée
3CH WDM GPON XGS-PON And RF Video Plug-in LGX Box Boîtier LGX 215*150*20 mm, 3 canaux WDM GPON XGS-PON et module vidéo RF
La transformation numérique a engendré une demande sans précédent pour des réseaux de communication à haut débit, fiables et flexibles. Les réseaux optiques passifs (PON) constituent désormais un pilier des infrastructures de communication modernes, prenant en charge des applications allant du haut débit résidentiel aux réseaux d'entreprise. Afin de répondre aux besoins croissants en bande passante et de pérenniser les déploiements, l'intégration de la technologie WDM 3 canaux avec les technologies GPON, XGS-PON et vidéo RF offre une solution complète qui optimise l'utilisation de la fibre et améliore les capacités de service.
laisser un message
laisser un message
Si Vous êtes intéressé par nos produits et vous souhaitez connaître plus de détails, s'il vous plaît laissez un message ici, nous vous répondrons dès que nous Can.

Maison

Produits

à propos

contact