Commutateur optique mécanique 2x4

Commutateur optique mécanique 2x4

Caractéristiques

  • Faible coût inégalé
  • Faibles distorsions optiques
  • Haute isolation
  • Haute fiabilité
  • Chemin optique sans époxy

Applications

  • Blocage des chaînes
  • Ajout/Suppression configurable
  • Surveillance du système
  • Instrumentation
  • Détails du produit

Commutateur optique mécanique 2x4

Le commutateur fibre optique 2X4 connecte les canaux optiques en dirigeant ou en bloquant un signal optique entrant vers la fibre de sortie. Ce résultat est obtenu grâce à une configuration opto-mécanique en instance de brevet et activée par un signal de commande électrique. La version à verrouillage préserve le chemin optique sélectionné après la suppression du signal de commande, tandis que les versions sans verrouillage passent par défaut à l'état ouvert ou fermé après coupure de l'alimentation. Le commutateur intègre des capteurs de position électriques. La nouvelle conception avancée à base de matériaux réduit considérablement la sensibilité de la position des pièces mobiles, offrant une stabilité inégalée et un faible coût inégalé.

2x4 Mechanical Optical Switch

Caractéristiques

Paramètres

Caractéristiques

Unité

Longueur d'onde de fonctionnement

1260~1620(SM)、850(MM)

nm

Perte d'insertion

≤1,2

dB

Perte dépendante de la longueur d'onde

≤0,40

dB

Perte dépendante de la polarisation

≤ 0,05

dB

Perte dépendante de la température

≤0,20

dB

Perte de retour

SM≥50 MM≥30

dB

Diaphonie

SM≥55 MM≥35

dB

Heure de commutation

≤8

MS

Répétabilité

≤±0,02

dB

Durabilité

≥107

fois

Tension de fonctionnement

3 ou 5

V

Type de commutateur

Non verrouillable/verrouillable

/

Température de fonctionnement

-20~+70

°C

Température de stockage

-40~+85

°C

Puissance optique

≤500

mw

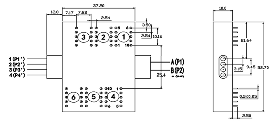
Dimension

52,7 L × 37,2 l × 10,0 H

mm

Configurations des broches

Taper

État

Entraînement électrique

Capteur d'état

2×4

Broche 1

Broche 5

Broche 6

Broche 10

Broche 2-3

Broche 3-4

Broche 7-8

Broche 8-9

Verrouillage

0

--

--

GND

V+

Fermer

Ouvrir

Ouvrir

Fermer

1

V+

GND

--

--

Ouvrir

Fermer

Fermer

Ouvrir

Non verrouillable

0

--

--

--

--

Fermer

Ouvrir

Ouvrir

Fermer

1

V+

--

--

GND

Ouvrir

Fermer

Fermer

Ouvrir

NON.

Route optique

Relais

1

2

3

4

5

6

1

A-1, B-2

0

0

0

1

0

1

2

A-1, B-3

1

1

0

1

1

1

3

A-1, B-4

1

1

0

1

1

0

4

A-2, B-1

0

1

0

1

0

1

5

A-2, B-3

1

1

1

1

1

1

6

A-2, B-4

1

1

1

0

1

1

7

A-3, B-1

0

0

1

1

1

1

8

A-3, B-2

0

1

1

1

1

1

9

A-3, B-4

1

1

1

0

0

1

10

A-4, B-1

0

0

1

1

1

0

11

A-4, B-2

0

1

1

1

1

0

12

A-4, B-3

1

1

1

0

0

0

Dimensions mécaniques (unité : mm)

2x4 Mechanical Optical Switch

Route optique

2x4 Mechanical Optical Switch

Informations de commande

RD-FSW

-2x4-

-Longueur d'onde-

-Type de commutateur-

-Tension-

-Type de fibre-

-Emballer-

-Longueur de la fibre-

-Connecteur-

1060=1

C+L=2

1310=3

1410=4

1550=5

650=6

780=7

1260-1610=A

1310/1550=9

850=8

Spécial=0

Verrouillage=1

Sans verrouillage=2

Spécial=0

3V=3

5V=5

Spécial=0

SM28=1

50/125=5

62,5/125=6

Spécial=0

Fibre nue = 1

Tube de 900 µm = 3

Spécial=0

0,25 m = 1

0,5 m = 2

1,0 m = 3

Spécial=0

Aucun=1

FC/PC=2

FC/APC=3

SC/PC=4

SC/APC=5

ST/PC=6

LC/PC=7

Duplex LC=8

Spécial=0

Vous souhaitez en savoir plus sur ce produit ?

ENVOYER UN Message
laisser un message

Si Vous êtes intéressé par nos produits et vous souhaitez connaître plus de détails, s'il vous plaît laissez un message ici, nous vous répondrons dès que nous Can.

Produits connexes
Mechanical Fiber Optical Switch 1x2 Interrupteur optique mécanique
Interrupteur optique mécanique de faible coût inégalé, 1x2 Disportions optiques faibles isolement élevé grande fiabilité Sans époxy Chemin optique
Mechanical Fiber Optical Switch Dual 1x2 Interrupteur optique mécanique
faible coût incomparable, D1x2 Interrupteur optique mécanique Disportions optiques faibles isolement élevé grande fiabilité Sans époxy Chemin optique
Mechanical Fiber Optical Switch Commutateur optique mécanique 2x2 complet
Commutateur optique mécanique 2x2 à faible coût inégalé Faibles distorsions optiques Haute isolation Haute fiabilité Chemin optique sans époxy
Mechanical Fiber Optical Switch 2x2 Bypass Interrupteur optique mécanique
faible coût incomparable, 2x2 Bypass Interrupteur optique mécanique Disportions optiques faibles isolement élevé grande fiabilité Sans époxy Chemin optique
Mechanical Fiber Optical Switch Dual 2x2 Bypass Interrupteur optique mécanique
Dual 2x2 Bypass Interrupteur optique mécanique Disportions optiques faibles isolement élevé grande fiabilité Sans époxy Chemin optique
Mechanical Fiber Optical Switch Mini Bypass Interrupteur optique mécanique
Mini Bypass Mechanical Interrupteur optique mécanique Disportions optiques faibles isolement élevé grande fiabilité Sans époxy Chemin optique
Mechanical Fiber Optical Switch 1x4 Interrupteur optique mécanique
Mini Bypass Mechanical Interrupteur optique mécanique Disportions optiques faibles isolement élevé grande fiabilité Sans époxy Chemin optique
Mechanical Fiber Optical Switch 4x4 interrupteur optique mécanique
Commutateur optique mécanique mini bypass à faible coût inégalé faibles distorsions optiques isolement élevé grande fiabilité Sans époxy Chemin optique
laisser un message
laisser un message
Si Vous êtes intéressé par nos produits et vous souhaitez connaître plus de détails, s'il vous plaît laissez un message ici, nous vous répondrons dès que nous Can.

Maison

Produits

à propos

contact