Émetteur-récepteur LPO 400G QSFP112 SR4

Émetteur-récepteur LPO 400G QSFP112 SR4

CARACTÉRISTIQUES:

  • Émetteur-récepteur multimode QSFP112 SR4 enfichable à chaud
  • Conforme à la norme QSFP112 MSA
  • Conforme à la révision CMIS Rev 4.0 et supérieure
  • Réseau VCSEL 850 nm intégré et réseau PD sans DSP ni CDR
  • 4 canaux de modulation électrique et optique 100G-PAM4
  • Prises simples MPO-12 APC  Consommation électrique maximale 2,8 W
  • Alimentation simple de 3,3 V
  • Température de fonctionnement du boîtier 0°C à 70°C
  • Laser de classe 1  Conformité RoHS
  • Détails du produit

Émetteur-récepteur LPO 400G QSFP112 SR4

Valeurs nominales maximales absolues

Paramètre

Symbole

Min

Max

Unité

Température de stockage

TS

-40

85

ºC

Tension d'alimentation

VCC

-0,4

3.6 V

Humidité relative (sans condensation)

RH

5

85

%

Conditions de fonctionnement recommandées

Paramètre

Symbole

Min.

Typique

Max.

Unité

Notes

Température du boîtier de fonctionnement

TOPR

0

70 °C

Tension d'alimentation

VCC

3.135

3.3

3.465

V

Dissipation de puissance maximale (400 G)

PD

2.8 W

Taux de signalisation par voie

SRL

53.125

GBd

PAM4

Spécifications optiques de l'émetteur

Paramètre

Symbole

Min.

Typique

Max.

Unité

Longueur d'onde

λC

844 850

863

nm

largeur spectrale RMS

∆λrms

0,6

nm

Puissance de lancement moyenne, chaque voie

AOPL

-1,0

3.0

dBm

Puissance de lancement moyenne de l'émetteur OFF, chaque voie

DANDY

-30

dBm

Taux d'extinction, chaque voie

Urgences

3

dB

Tolérance de perte de retour optique

ORL

14

dB

Réflectance de l'émetteur

TR

-26

dB

Spécifications optiques du récepteur

Paramètre

Symbole

Min.

Typique

Max.

Unité

Longueur d'onde

λC

842

850 863

nm

Seuil de dommage, puissance optique moyenne, chaque voie

AOPD

5

dBm

Puissance de réception moyenne, chaque voie

AOPR

-6,3

4.0

dBm

Puissance de réception (OMAouter), chaque voie

OMAR

3,5

dBm

Réflectance du récepteur

RR

-20

dB

Définitions des broches

400G LPO Transceiver

Figure 1 – Disposition des pastilles de module

400G LPO Transceiver 400G LPO Transceiver

Remarques :

1. La masse (GND) est le symbole du commun signal et alimentation (puissance) du module QSFP56. Tous ces éléments sont communs au module QSFP56 et, sauf indication contraire, toutes les tensions du module sont référencées à ce potentiel. Connectez-les directement au plan de masse commun signal de la carte hôte.

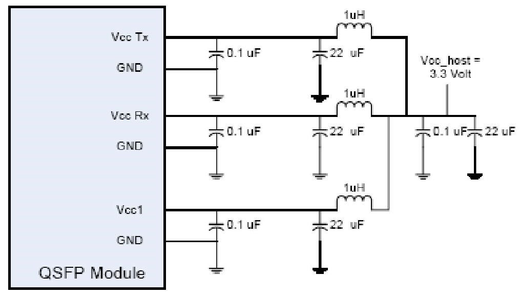
2. Vcc Rx, Vcc1 et Vcc Tx sont les alimentations du récepteur et de l'émetteur et doivent être appliquées simultanément. Le filtrage recommandé de l'alimentation de la carte hôte est illustré dans les figures ci-dessous. Vcc Rx, Vcc1 et Vcc Tx peuvent être connectés en interne au module QSFP56, quelle que soit la combinaison. Les broches du connecteur sont conçues pour un courant maximal de 500 mA.

400G QSFP112 SR4 LPO Transceiver

Figure 2. Filtre d'alimentation recommandé

Interface optique et dimensions mécaniques

400G QSFP112 SR4 LPO Transceiver

Figure 3 – Prise optique et orientation du canal pour le connecteur MPO

400G QSFP112 SR4 LPO Transceiver

Figure 4 – Dimensions mécaniques.

Informations de commande

Numéro de pièce

Description

QS112-400G-LPO-SR4

400 Gbit/s, QSFP112, MPO-12APC, MMF 850 nm, SR4, LPO

Vous souhaitez en savoir plus sur ce produit ?

ENVOYER UN Message
laisser un message

Si Vous êtes intéressé par nos produits et vous souhaitez connaître plus de détails, s'il vous plaît laissez un message ici, nous vous répondrons dès que nous Can.

Produits connexes
400G QSFP28 DR4 400g QSFP-DD DR4 PAM4 1310nm 500m MPO optique émetteur-récepteur
400g QSFP-DD DR4 optique émetteur-récepteur Module, support 400 Go / S et jusqu'à 500m Transmission sur SM Fibre, il fonctionne à grande vitesse IDC Connexion Solutions.
400G QSFP28 SR8 Émetteur-récepteur optique 400G QSFP-DD SR8 850nm MPO 100M
Le module émetteur-récepteur optique 400G QSFP-DD SR8, prend en charge 400 Go/s et jusqu'à 100 m de transmission sur fibre MM, il fonctionne dans les solutions de connexion IDC haut débit.
400G QSFP28 SR8 Émetteur-récepteur optique 400G QSFP-DD LR4 10KM
Module émetteur-récepteur optique 400G QSFP-DD LR4, prend en charge 400 Gb/s et jusqu'à 10 km de transmission sur fibre SM, il fonctionne dans les solutions de connexion IDC haut débit. Caractéristiques Conforme à QSFP-DD MSA Conforme à 100G Lambda MSA 400G-LR4 Conforme aux spécifications Conforme à CMIS5.0 Conforme à la norme IEEE 802.3bs Interface électrique 8x53.125Gb/s (400GAUI-8) Laser EML refroidi avec longueur d'onde CWDM Jusqu'à 10 km de transmission sur fibre monomode (SMF) avec FEC Alimentation simple +3.3V Plage de température du boîtier : 0 ~ +70℃ Consommation électrique maximale 12W Connecteur LC duplex Réclamation RoHS Applications Ethernet 400G BASE-LR4 Interconnexion du centre de données Réseautage d'entreprise
400G CFP2 Optical Transceiver Module Module émetteur-récepteur optique 400G CFP2 DCO
Module émetteur-récepteur optique 400G CFP2 Utilisé sur la carte mère du système Jusqu'à 2000 km en application MAN DWDM
QSFP112 400G BASE-SR4 Transceiver Émetteur-récepteur QSFP112 400G BASE-SR4 850 nm 100 m
L'émetteur-récepteur QSFP112 SR4 400G est conçu pour transmettre et recevoir des données optiques série jusqu'à 106,25 Gbit/s (par canal) par modulation PAM4 sur fibre multimode. Ce module émetteur-récepteur compact, enfichable à chaud, intègre un rapport d'extinction optique de 2,5 dB et une technologie VCSEL hautes performances. Il est conforme aux spécifications Ethernet 400G et à la norme QSFP112 MSA.
OSFP 400G SR4 Émetteur-récepteur optique 400G OSFP SR4 MM MPO12 IB
Caractéristiques Interface optique série OSFP Interface électrique 4x100G PAM4 resynchronisée 400GAUI-4 Câble optique actif Réseaux VCSEL à 4 canaux et réseaux de photodétecteurs PIN à 4 canaux Longueur maximale de liaison de 60 m sur OM3 ou 100 m sur OM4 Conforme OSFP MSA Facteur de forme OSFP enfichable à chaud Conforme à la spécification du module OSFP Rév 5.0 Conforme à CMIS 5.2 Protocole de prise en charge Conforme à la norme IEEE 802.3db Conforme à la norme IEEE 802.3ck Basse consommation énergétique Moins de 8 W dans une plage de température de 0 à 70 ℃ Applications Ethernet 400GBASE-SR4 400G Centre de données
OSFP 400G DR4 Émetteur-récepteur optique 400G OSFP DR4 SM MPO12 IB
Caractéristiques Facteur de forme : Facteur de forme OSFP enfichable à chaud  Débit de données : débit de données global de 425 Gb/s et débit de données de 106,25 Gb/s  Interface optique : conforme à 400GBASE-DR4 et 4x100GBASE-DR Émetteur: émetteur EML 1310nm  Interface électrique : conforme à 400GAUI-4 et 4x100GAUI-1 Récepteur : réseau PIN et TIA côté récepteur Interface de gestion : interface de gestion I2C Portée : jusqu'à 500 m sur fibre monomode MPO-12/APC  Consommation électrique : 9 W maximum  Température du boîtier de fonctionnement : 0 ~ 70 ℃ Alimentation : alimentation unique de 3,3 V Conformité Facteur de forme : OSFP MSA Optique : IEEE802.3bs Électrique : IEEE802.3ck Micrologiciel : CMIS Environnement : RoHS Stabilité : GR-468-CORE Applications Ethernet 400 Gb/s Centre de données  InfiniBande
400G QSFP-DD FR4 Émetteur-récepteur optique 400G QSFP-DD FR4 2KM
Applications Ethernet 400G BASE-FR4 Interconnexion du centre de données Interconnexion InfiniBand Réseaux d'entreprise Caractéristiques Conforme à QSFP-DD MSA Conception MUX/DEMUX à 4 voies CWDM 100G Lambda MSA 400G-FR4 Conforme aux spécifications Consommation électrique maximale 10W
laisser un message
laisser un message
Si Vous êtes intéressé par nos produits et vous souhaitez connaître plus de détails, s'il vous plaît laissez un message ici, nous vous répondrons dès que nous Can.

Maison

Produits

à propos

contact