Émetteur-récepteur QSFP112 400G BASE-SR4 850 nm 100 m

Émetteur-récepteur QSFP112 400G BASE-SR4 850 nm 100 m

L'émetteur-récepteur QSFP112 SR4 400G est conçu pour transmettre et recevoir des données optiques série jusqu'à 106,25 Gbit/s (par canal) par modulation PAM4 sur fibre multimode. Ce module émetteur-récepteur compact, enfichable à chaud, intègre un rapport d'extinction optique de 2,5 dB et une technologie VCSEL hautes performances. Il est conforme aux spécifications Ethernet 400G et à la norme QSFP112 MSA.

  • Détails du produit

Émetteur-récepteur QSFP112 400G BASE-SR4 850 nm 100 m

Application

  • Ethernet 400GBASE-SR4
  • Connexions de commutateur et de routeur
  • Centres de données
  • Autres exigences d'interconnexion 400G

Caractéristiques

  • Débit de données 106,25 Gbit/s (PAM4) par canal
  • Connecteur MPO-12 APC
  • Réseau VCSEL PAM4 4x100G
  • Alimentation simple +3,3 V
  • Fonction DDM implémentée
  • Facteur de forme QSFP112 enfichable à chaud
  • Longueur de liaison maximale de 100 m sur OM4/0M5 (MMF)
  • Plage de température de fonctionnement : 0~+70°C
  • Consommation électrique maximale 10 W
  • Laser de classe 1
  • Conformité ROHS 6.0

Spécification

Paramètre Symbole Unité Min Type Max Notes
Émetteur (par voie)
Vitesse de signalisation par voie GBd 53.125±100pm
Format de modulation PAM4
Longueur d'onde centrale nm 844 850 863
Largeur spectrale RMS RMS dB 0,6
Puissance de lancement moyenne par voie TXPx dBm -4,6 4
Amplitude de modulation optique externe par voie OMAouter dBm -2,6 3,5
Excursion de l'émetteur, chaque voie DPx dB 2.3

Fermeture de l'œil de pénalité d'émetteur et de dispersion pour PAM4, chaque voie

TDECQ dB 4.4

Puissance de lancement moyenne de l'émetteur hors tension, chaque voie

dBm -30
Temps de transition de l'émetteur Tr, Tf ps 17
Rapport d'extinction optique Urgences dB 2,5
RIN 12 OMA dB/Hz -132
Tolérance de perte de retour optique dB 12
Flux encerclé ≥ 86 % à 19 mm, ≤ 30 % à 4,5 mm

Paramètre Symbole Unité Min Type Max Notes
Récepteur (par voie)
Vitesse de signalisation par voie GBd 53.125±100pm
Format de modulation PAM4
Longueur d'onde de fonctionnement d'entrée nm 842 948
Seuil de dommages par voie DT dBm 5
Puissance de réception moyenne par voie RXPx dBm -6,4 4
Recevoir la puissance OMAouter par voie OMAouter dBm 3,5
Réflectance du récepteur RFL -12

Sensibilité du récepteur (OMAouter), chaque voie

dBm -4,6
Sensibilité stressée (OMAouter) 5 dBm -2

BER=2,4E-4 TDECQ=4,4

Informations de commande

Numéro de pièce Caractéristiques Application
Emballer Débit de données Laser Puissance optique Détecteur Sensibilité Température Atteindre Autres

RQ112-400G-SR4

QSFP112 400G VCSEL -4,6~4 dBm ÉPINGLE <-4,6 dBm à OMA 0~70 ℃ 100M RoHS

Base SR4 400G

Valeurs nominales maximales absolues

Paramètre Symbole Unité Min Max
Plage de température de stockage Ts °C -40 +85
Humidité relative RH % 5 95
Tension d'alimentation Vcc V -0,5 +4,0

Conditions de fonctionnement recommandées

Paramètre Symbole Unité Min Type Max
Plage de température du boîtier de fonctionnement Tc °C 0 / 70
Tension d'alimentation Vcc V 3.135 3.3 3.465

Interface optique

QSFP112 400G BASE-SR4 Transceiver Figure 1 Séquence de voies optiques

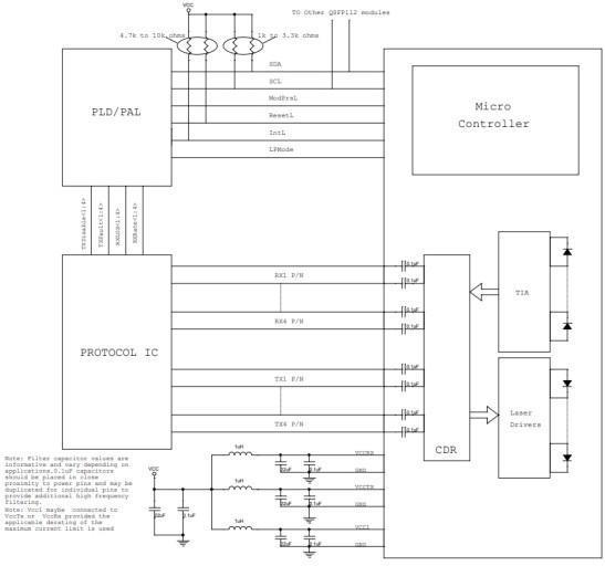
Schéma de principe

QSFP112 400G BASE-SR4 Transceiver Figure 2 Diagramme de principe du module

Définition des ports électriques

Paramètre Symbole Unité Min Type Max Notes
Tension d'alimentation VCC V 3.14 3.47
Courant d'alimentation CPI mA 3000
Heure d'initialisation à la mise sous tension de l'émetteur-récepteur MS 2000
Émetteur
Taux de signalisation PAM4 par voie BR GBd 53.125 PAM4
Tolérance de tension d'entrée asymétrique Vin V -0,3 4.0
Swing d'entrée de données différentielles NIV mVp-p 880
Bruit en mode commun (RMS) mV 17,5

Différence de résistance de terminaison différentielle

% 10

Récepteur

Taux de signalisation PAM4 par voie

GBd 53.125

Tension de sortie asymétrique

VoutR V 0,45

Oscillation de sortie de données différentielle

Vout, PP mVp-p 900

Bruit en mode commun (RMS)

mV 17,5

Différence de résistance de terminaison différentielle

% 10

Communication IIC

Fréquence d'horloge IIC (mode rapide)

MHz 1

Étirement de l'horloge

nous 500

Temps de conservation des données

ns 300

QSFP112 400G Transceiver

Figure 3 Détails du brochage électrique

Descriptions des broches

Numéro de broche Logique Symbole Description Note
1 Terre Sol 1
2 LMC-I Tx2n Entrée de données inversée de l'émetteur
3 LMC-I Tx2p Sortie de données non inversée de l'émetteur
4 Terre Sol 1
5 LMC-I Tx4n Entrée de données inversée de l'émetteur
6 LMC-I Tx4p Sortie de données non inversée de l'émetteur
7 Terre Sol 1
8 LVTTL-I ModSelL Sélectionner
9 LVTTL-I RéinitialiserL Réinitialiser
10 VccRx Alimentation +3,3 V Récepteur 2
11 LVCOMS-E/S SCL Horloge d'interface série à 2 fils
12 LVCOMS-E/S Adventiste du Septième Jour Données d'interface série à 2 fils
13 Terre Sol 1
14 CML-0 Rx3p Sortie de données non inversée du récepteur
15 CML-0 Rx3n Sortie de données inversée du récepteur
16 Terre Sol 1
17 CML-0 Rx1p Sortie de données non inversée du récepteur
18 CML-0 Rx1n Sortie de données inversée du récepteur
19 Terre Sol 1
20 Terre Sol 1
21 CML-0 Rx2n Sortie de données inversée du récepteur
22 CML-0 Rx2p Sortie de données non inversée du récepteur
23 Terre Sol 1
24 CML-0 Rx4n Sortie de données inversée du récepteur
25 CML-0 Rx4p Sortie de données non inversée du récepteur
26 Terre Sol 1
27 LVTTL-0 ModPrsL Présent
28 LVTTL-0 IntL/RxLOS Interruption/RxLOS optionnel
29 VccTx Alimentation +3,3 V de l'émetteur 2
30 Vcc1 Alimentation +3,3 V 2
31 LVTTL-I Mode LP/TxDis Mode basse consommation/désactivation TX en option
32 Terre Sol 1
33 LMC-I Tx3p Entrée de données inversée de l'émetteur
34 LMC-I Tx3n Sortie de données non inversée de l'émetteur
35 Terre Sol 1
36 LMC-I Tx1p Entrée de données inversée de l'émetteur
37 LMC-I Tx1n Sortie de données non inversée de l'émetteur
38 Terre Sol 1
39 Terre Sol 1
40 LMC-I Tx6n Entrée de données inversée de l'émetteur
41 LMC-I Tx6p Sortie de données non inversée de l'émetteur
42 Terre Sol 1
43 LMC-I Tx8n Entrée de données inversée de l'émetteur
44 LMC-I Tx8p Sortie de données non inversée de l'émetteur
45 Terre Sol 1
46 Réservé Pour une utilisation future 3
47 VS1 Module spécifique au fournisseur 1 3
48 VccRx1 Alimentation +3,3 V Récepteur 2
49 VS2 Module spécifique au fournisseur 2 3
50 VS3 Module spécifique au fournisseur 3 3
51 Terre Sol 1

Remarques :

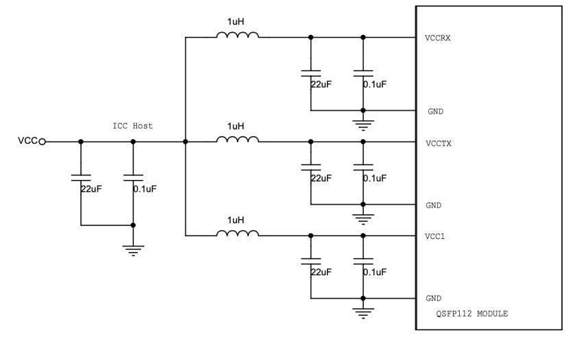
1. GND est le symbole du commun signal et alimentation (puissance) du module QSFP112. Tous ces éléments sont communs au module QSFP112 et toutes les tensions sont référencées à ce potentiel, sauf indication contraire. Connectez-les directement au plan de masse commun signal-carte hôte. 2. Vcc Rx, Vcc1 et Vcc Tx sont les alimentations du récepteur et de l'émetteur et doivent être appliquées simultanément. Les exigences, définies pour le côté hôte du connecteur de carte hôte, sont répertoriées dans le tableau 4. Le filtrage recommandé de l'alimentation de la carte hôte est illustré à la figure 4. Vcc Rx, Vcc1 et Vcc Tx peuvent être connectés en interne au module QSFP112, quelle que soit leur combinaison. Les broches du connecteur sont conçues pour un courant maximal de 1,5 A chacune (un courant maximal de 2,0 A est requis pour une puissance de module élevée de 15 à 20 W).

Carte mémoire du module

QSFP112 400G Transceiver QSFP112 400G Transceiver

Figure 4 Carte de la mémoire de diagnostic numérique

Filtrage de l'alimentation de la carte hôte

Toute chute de tension sur un réseau de filtres de l'hôte est comptabilisée dans la spécification de précision de la consigne CC de l'hôte. Des inductances d'une résistance CC inférieure à 0,1 ohm doivent être utilisées afin de maintenir la tension requise au niveau du connecteur de la carte de bord de l'hôte. La figure 5 illustre l'interface émetteur-récepteur/hôte suggérée.

QSFP112 400G BASE-SR4

Figure 5 Filtrage recommandé de

Vous souhaitez en savoir plus sur ce produit ?

ENVOYER UN Message
laisser un message

Si Vous êtes intéressé par nos produits et vous souhaitez connaître plus de détails, s'il vous plaît laissez un message ici, nous vous répondrons dès que nous Can.

Produits connexes
400G QSFP28 DR4 400g QSFP-DD DR4 PAM4 1310nm 500m MPO optique émetteur-récepteur
400g QSFP-DD DR4 optique émetteur-récepteur Module, support 400 Go / S et jusqu'à 500m Transmission sur SM Fibre, il fonctionne à grande vitesse IDC Connexion Solutions.
400G QSFP28 SR8 Émetteur-récepteur optique 400G QSFP-DD SR8 850nm MPO 100M
Le module émetteur-récepteur optique 400G QSFP-DD SR8, prend en charge 400 Go/s et jusqu'à 100 m de transmission sur fibre MM, il fonctionne dans les solutions de connexion IDC haut débit.
400G QSFP28 SR8 Émetteur-récepteur optique 400G QSFP-DD LR4 10KM
Module émetteur-récepteur optique 400G QSFP-DD LR4, prend en charge 400 Gb/s et jusqu'à 10 km de transmission sur fibre SM, il fonctionne dans les solutions de connexion IDC haut débit. Caractéristiques Conforme à QSFP-DD MSA Conforme à 100G Lambda MSA 400G-LR4 Conforme aux spécifications Conforme à CMIS5.0 Conforme à la norme IEEE 802.3bs Interface électrique 8x53.125Gb/s (400GAUI-8) Laser EML refroidi avec longueur d'onde CWDM Jusqu'à 10 km de transmission sur fibre monomode (SMF) avec FEC Alimentation simple +3.3V Plage de température du boîtier : 0 ~ +70℃ Consommation électrique maximale 12W Connecteur LC duplex Réclamation RoHS Applications Ethernet 400G BASE-LR4 Interconnexion du centre de données Réseautage d'entreprise
400G CFP2 Optical Transceiver Module Module émetteur-récepteur optique 400G CFP2 DCO
Module émetteur-récepteur optique 400G CFP2 Utilisé sur la carte mère du système Jusqu'à 2000 km en application MAN DWDM
OSFP 400G SR4 Émetteur-récepteur optique 400G OSFP SR4 MM MPO12 IB
Caractéristiques Interface optique série OSFP Interface électrique 4x100G PAM4 resynchronisée 400GAUI-4 Câble optique actif Réseaux VCSEL à 4 canaux et réseaux de photodétecteurs PIN à 4 canaux Longueur maximale de liaison de 60 m sur OM3 ou 100 m sur OM4 Conforme OSFP MSA Facteur de forme OSFP enfichable à chaud Conforme à la spécification du module OSFP Rév 5.0 Conforme à CMIS 5.2 Protocole de prise en charge Conforme à la norme IEEE 802.3db Conforme à la norme IEEE 802.3ck Basse consommation énergétique Moins de 8 W dans une plage de température de 0 à 70 ℃ Applications Ethernet 400GBASE-SR4 400G Centre de données
OSFP 400G DR4 Émetteur-récepteur optique 400G OSFP DR4 SM MPO12 IB
Caractéristiques Facteur de forme : Facteur de forme OSFP enfichable à chaud  Débit de données : débit de données global de 425 Gb/s et débit de données de 106,25 Gb/s  Interface optique : conforme à 400GBASE-DR4 et 4x100GBASE-DR Émetteur: émetteur EML 1310nm  Interface électrique : conforme à 400GAUI-4 et 4x100GAUI-1 Récepteur : réseau PIN et TIA côté récepteur Interface de gestion : interface de gestion I2C Portée : jusqu'à 500 m sur fibre monomode MPO-12/APC  Consommation électrique : 9 W maximum  Température du boîtier de fonctionnement : 0 ~ 70 ℃ Alimentation : alimentation unique de 3,3 V Conformité Facteur de forme : OSFP MSA Optique : IEEE802.3bs Électrique : IEEE802.3ck Micrologiciel : CMIS Environnement : RoHS Stabilité : GR-468-CORE Applications Ethernet 400 Gb/s Centre de données  InfiniBande
400G QSFP-DD FR4 Émetteur-récepteur optique 400G QSFP-DD FR4 2KM
Applications Ethernet 400G BASE-FR4 Interconnexion du centre de données Interconnexion InfiniBand Réseaux d'entreprise Caractéristiques Conforme à QSFP-DD MSA Conception MUX/DEMUX à 4 voies CWDM 100G Lambda MSA 400G-FR4 Conforme aux spécifications Consommation électrique maximale 10W
QSFP-DD 400G EDR4 Émetteur-récepteur optique 400G QSFP-DD EDR4 SM MPO12 2 km
Caractéristiques Conforme aux spécifications IEEE 802.3bs Conforme QSFP-DD MSA Interface optique PAM4 4x106,25 Gbit/s Interface électrique PAM4 8x53,125 Gbit/s Interface I2C avec DDM intégré Distance de transmission jusqu'à 2 km sur fibre monomode (SMF) avec FEC tension de la couche supérieure : 3,3 V Consommation électrique maximale : 12 W Connecteur MTP/MPO-12 Température du boîtier de fonctionnement : 0 à 70 °C Conforme RoHS Applications Ethernet 400G Mise en réseau d'entreprise de centre de données
laisser un message
laisser un message
Si Vous êtes intéressé par nos produits et vous souhaitez connaître plus de détails, s'il vous plaît laissez un message ici, nous vous répondrons dès que nous Can.

Maison

Produits

à propos

contact